红卫桥主接线选择简介
摘要:本文简要介绍了四川省阿坝藏族羌族自治州红卫桥水电站的电气主接线,可为其它水电工程的设计提供借鉴和参考。
关键词:主接线、联合单元接线、双母线
1 工程概况
红卫桥水电站位于四川省阿坝藏族羌族自治州金川县境内俄日河上,系俄日河干流水电规划“一库四级”自上而下的最末一级,上接俄日电站。电站装机容量为3×37MW,枯水年枯期平均出力16.0/31.7MW(单独/联合),多年平均年发电量为4.541/4.99亿kW·h(单独/联合),年利用小时数4091/4496h(单独/联合)。根据流域规划报告,水电站的开发任务主要为发电,并兼顾下游生态环境用水要求。因流域内用电负荷有限,故电站建成后,其电能主要输入四川电网。
2 电站接入电力系统方式
在现阶段根据四川电力设计咨询有限公司编制的《俄日河流域及绰斯甲沟蒲西电站电力送出方案研究》报告,俄日河流域梯级电站的电能送出方案暂定如下:银恩、七家寨分别以1回110kV线路接入俄日电站。俄日、蒲西电站分别以1回220kV线路接入红卫桥电站,红卫桥电站汇集电力后以2回220kV线路接入拟建的马尔康500kV变电站。
3 电气主接线
3.1 电气主接线设计原则
红卫桥水电站装机3台,单机容量37MW,总装机容量111MW,发电机电压为10.5kV。电站主变高压侧出线采用220kV电压等级,出线四回。
电站电气主接线的设计除应满足电力系统稳定和可靠性的要求外,还应考虑系统对电站机组运行方式的要求,尽量减少水库弃水,保证电站安全运行;同时还应满足供电可靠、运行灵活、检修方便、接线简单、便于实现自动化且经济合理等要求。
红卫桥水电站主电厂电气主接线方案的拟定和比较选择将以上述设计原则为基础,同时考虑尽量简化接线和开关站的规模,减少土建工程量和电气设备投资以及电能损耗。
3.2 电气主接线方案比较
3.2.1 发电机与主变压器组合方式
发电机与变压器的组合方式有:扩大单元、联合单元与单元接线。根据本电站装机3×37MW及动能特性参数综合分析,此三种接线均为可行。
由于红卫桥电站接入系统设计尚未完成,现阶段根据《俄日河流域及绰斯甲沟蒲西电站电力送出方案研究》内电气计算的结果,对本电站进行短路电流估算:发电机与主变压器采用单元及扩大单元接线,发电机出口短路电流约为18.5/45.9kA(单元接线/扩大单元接线),发电机电压母线的短路电流约33.15/60.5kA(单元接线/扩大单元接线),发电机断路器的开断电流均在可选范围内。考虑到红卫桥水电站在汛期需按系统要求参与调峰运行,要求运行灵活方便,因此每台发电机出口均装设发电机断路器。
单元接线(及联合单元接线)方案有接线对称、发电机与变压器一一对应,简明清晰、继电保简单、运行灵活,故障或检修影响范围小等优点;再考虑到扩大单元接线主变运输尺寸及重量均较单元接线大,不易满足电站公路运输要求。在本(预可研)阶段暂不推荐扩大单元接线型式,可在下(可研)阶段根据最新资料参数的变化进一步研究采用扩大单元接线的可能性。
我们将结合220kV电压侧接线方式进行对联合单元接线与单元接线的比选。
3.2.2 220kV电压侧接线方式
根据电站发电机与变压器组合方式,以及电站接入系统的要求,220kV电压侧拟定三个接线方案进行技术经济比较:
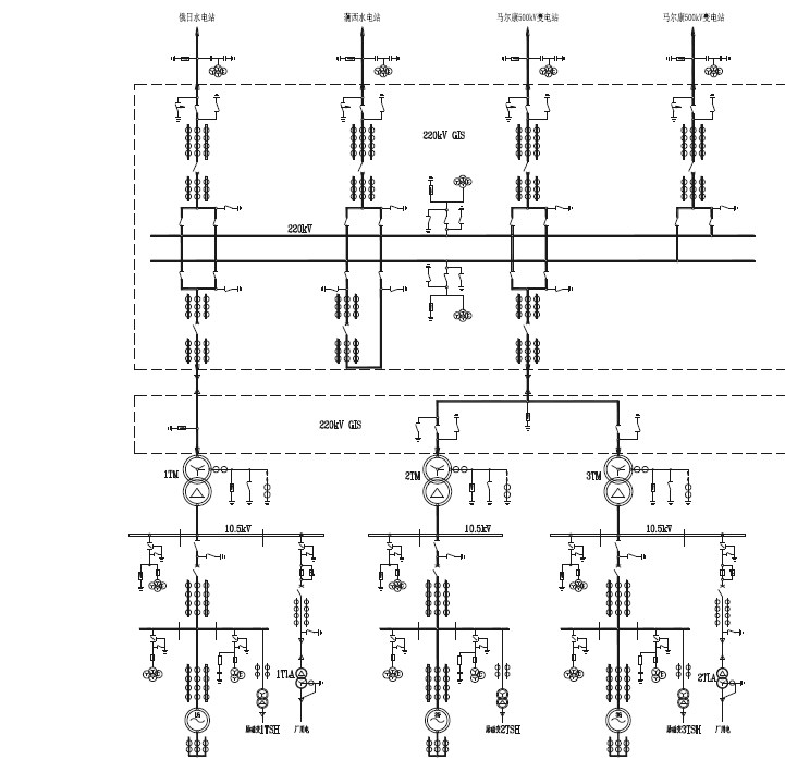
方案一:一台发电机与一台变压器组成单元接线,另两台发电机与两台变压器组成成联合单元接线,220kV侧为双母线接线;进线2回,出线4回。
方案二:三台发电机与三台变压器一一对应组成单元接线,220kV侧为双母线接线;进线3回,出线4回。
方案三:一台发电机与一台变压器组成单元接线,另两台发电机与两台变压器组成成联合单元接线,220kV侧为单母线分段接线。
各方案的技术经济比较如下:
① 方案二设备投资及年计算费用最高,方案一设备投资及年计算费用居中,方案三投资及年计算费用最低。
② 方案一与方案二运行方式灵活方便,各进出线回路均装设有断路器;任一母线故障或检修,不影响电站电能的送出。方案三为单母线分段接线,任一段母线故障或检修均影响部分机组及穿越功率电能的送出,可靠性较低。
③ 方案二较方案一需增加一回220kV进线间隔及220kV电缆,由于本电站为地下式厂房,220kV电缆输送距离较远,采用方案一可降低电站设备投资,且电缆的敷设布置较简单。
④ 由于本电站装机台数为三台,若采用方案三(单母线分段接线),接入两段母线的功率无法分配平衡;另外,蒲西、俄日河梯级等电站电能均需通过本电站送出,电站穿越功率较大,任一段母线故障影响电能送出范围较大。
⑤ 虽然方案三投资低于方案一,但由于本电站220kV侧进出线回路数较多(共6回),在系统中占有一定重要地位,推荐采用可靠性较高的双母线接线。
则经过技术经济比较后,选择方案一作为本电站220kV侧接线方式。
电站电气主接线示意见下图:

4 结束语
电站主接线方案比较及推荐出合适的接线形式,是电气一次专业在本阶段的主要设计任务。红卫桥水电站虽然装机容量不大,但由于进出线回路数较多,穿越功率较大,为流域的枢纽电站,其母线为的安全可靠运行有着重要意义。因此,在主接线选择时应把方案可靠性放在首位。
本电站预可行性研究报告已于2012年7月通过审查。